坐标尺寸命令
坐标尺寸命令
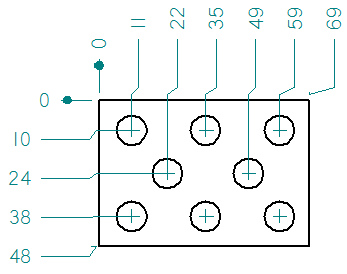
可以手动放置从公共原点到一个或多个关键点或元素间距离的测量尺寸。当要相对于公共原点或零点添加尺寸时,应该使用坐标尺寸。可以按任意次序,在原点的任一侧放置坐标尺寸。

坐标尺寸方位
可以使用“尺寸”命令条上的“方位”选项更改尺寸测量线的方位。对于坐标尺寸,可以使用以下选项。
|
使用此方位选项 |
放置 |
|
水平/竖直
|
与图纸页或参考平面的水平边平行或垂直的尺寸。 |
|
用尺寸轴
|
与在命令条上使用“尺寸轴”选项 当默认的水平和垂直轴不适合您正在标注尺寸的几何体时,或当您希望尺寸在同一个图纸视图中引用不同的原点时,使用此选项。 有关更多信息,请参见使用尺寸轴放置尺寸。 |
|
使用坐标系
|
引用“常规”选项卡(“图纸视图属性”对话框)上选定坐标系和轴的尺寸。 有关更多信息,请参见使用坐标系放置坐标尺寸。 |
© 2020 远算


选定为尺寸轴的元素平行或垂直的尺寸。
