线和坐标选项卡(尺寸样式和尺寸属性)
为尺寸设置线条和坐标选项。线和坐标选项卡在尺寸样式对话框和尺寸属性对话框中可用。
- 尺寸线
-
为尺寸线设置选项。
- 连接
-
控制当您将尺寸文本和端符放置在投影线外部时,尺寸线是否在端符之间延伸。
- 显示
-
控制线性尺寸上的尺寸线显示。可以将显示关闭,也可以设置为显示原点、显示测量值或显示原点与测量值。尺寸线重叠和使用笔式绘图仪时,可以使用此选项隐藏尺寸线。
注释:另一种控制所选尺寸线的方法是使用单击尺寸端符手柄时显示的尺寸格式菜单上的显示尺寸线命令。
- 宽度
-
设置尺寸线的宽度。
- 层叠间距
-
设置层叠尺寸组中各个尺寸线之间的距离。此值是尺寸文本大小的一个比率。
- 初始层叠距离
-
设置层叠尺寸组中最内侧尺寸线和已标注尺寸几何体之间的距离。此值是尺寸文本大小的一个比率。
注释:层叠间距和初始层叠距离选项适用于层叠的尺寸,例如线性尺寸、角度尺寸、对称直径尺寸、同心直径尺寸、弧长尺寸和圆弧角度尺寸。以下命令从活动的尺寸样式读取这些选项的当前值:
-
排列尺寸

-
调入尺寸

-
自动标注尺寸

-
- 折线
-
设置尺寸线的折线的大小。此值是文本大小的一个比率。
- 如果“文本方位”是水平,而且“文本位置”是“上方”,则应用“仅折线间隙”
-
用于在使用不同制图标准(例如 GB 标准)时控制折线行为。
- 投影线
-
为尺寸的投影线设置选项。
- 显示
-
控制线性尺寸上的投影线的显示。可以将显示关闭,也可以设置为显示原点、显示测量值或显示原点与测量值。当投影线发生重叠,而您使用的是笔式绘图仪时,可以使用此选项来隐藏投影线。
注释:另一种控制所选尺寸投影线的方法是使用选择尺寸端符手柄时显示的尺寸格式菜单上的显示投影线命令。
- 元素间隙
-
设置投影线从您想标注尺寸的元素退后多远的距离。此值是尺寸文本大小的比率。
- 延伸量
-
设置尺寸线延伸超出尺寸的程度。此值是尺寸文本大小的比率。
- 角度
-
设置尺寸上的投影线的倾斜角度。
- 断开
-
指定应用于使用“添加投影线断开点”命令断开的尺寸投影线的断开间隙距离。此值可以是任何非零值,乘以文本高度。默认值是 1。
- 中心线/标记
-
设置关于通过尺寸标注命令放置的中心线和中心标记的选项。
- 中心线型
-
列出并应用可用的中心线类型。默认值为连续线型。
- 直线延伸
-
指定中心线的范围。
- 中心标记大小
-
指定中心标记的高度和宽度。此值是尺寸文本大小的比率。
- 投影中心线
-
在中心标记上显示投影线。
- 坐标
-
设置用于坐标尺寸的选项。
- 公共原点
-
设置坐标尺寸上的公共原点的符号类型。可以将符号类型设置为点、圆或者无。
示例:圆
点划线 (Dot)


- 显示坐标原点文本(O)
-
指定是否在尺寸集原点位置显示 0 标签。
- 显示原点尺寸线(I)
-
在第一个值尺寸的对面显示缩短的尺寸线。这可以用于第一个尺寸不是零且图纸上没有源视图的局部放大图。有关如何使用此选项的更多信息,请参阅更改坐标原点值。
此选项适用于 ISO 尺寸样式。
示例:
- 允许更改原点值(G)
-
指定原点尺寸可以更改为非零值,且无需将其设置为“不按比例”。更改原点值会使集合中参考该原点的所有坐标尺寸也更新。
- 允许负值
-
指定原点左侧的尺寸为负值。原点左侧的定义是相对于方向选项(水平/竖直、尺寸轴或使用坐标系)而言,如果使用尺寸轴,则相对于创建尺寸线的方式(从左向右或从右向左)。
示例:对于水平/竖直方向,添加到原点尺寸左侧的坐标尺寸具有负值。添加到右侧的尺寸为正值。

- 启用自动添加折线 (J)
-
在放置尺寸的同时会创建折线并隔开直线和文本。

- 方位
-
设置坐标尺寸文本相对于尺寸线的默认方位。选项包括垂直、平行、水平和竖直。
- 文本位置
-
在坐标尺寸中设置默认的尺寸文本位置(线内或线上)。
- 直径
-
设置用于同心直径和对称直径尺寸的选项。
- 错开文本位置
-
指定当您在层叠中放置多个尺寸时尺寸文本改变位置。利用此选项,您可以更轻松地阅读分组或层叠尺寸中的尺寸值。
如果移动的尺寸是通过互换文本位置而放置的,则对齐组将不再保持该尺寸位置。
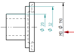
示例:错开文本位置=开
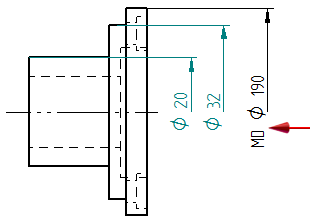
错开文本位置=关


- 下划线符号和前缀
-
延伸尺寸线以包括所有尺寸文本,包括前缀和尺寸符号。此选项适用于当尺寸 - 半/全选项设置为
=半的情况下创建的对称直径尺寸。
示例:下划线符号和前缀=开
下划线符号和前缀=关

注释:此选项适用于在尺寸线上显示的尺寸文本(例如 ISO 样式)。它不适用于在尺寸线中嵌入的尺寸文本(例如 ANSI 样式)。
© 2020 远算