尺寸编辑手柄
尺寸可通过一组标准的颜色编码手柄指示其在编辑期间的表现。选择尺寸后,手柄可见。
注释:
有关 3D 尺寸编辑手柄的信息,请参见帮助主题 PMI 编辑手柄和光标。
根据颜色和位置标识手柄
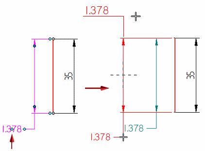
尺寸上共显示三种手柄。手柄颜色用于标识手柄所执行的编辑类型。手柄位置指示将发生的变化。
示例:
尺寸编辑手柄(ISO 标准)包括 (1) 灰色连接手柄、(2) 深蓝色端符手柄和 (3) 浅蓝色编辑手柄。

对于 ANSI 标准尺寸,浅蓝色编辑手柄位于(3a、3b、3c、3d):


使用手柄
参考下表了解手柄功能说明。要了解如何使用尺寸编辑手柄,以及移动尺寸的其他技巧,请参见帮助主题移动尺寸。
|
手柄名称和位置 |
目的 |
执行此操作 |
|
(1) 连接手柄 |
将尺寸投影线连接至元素。 |
更改投影线的长度。 按 Alt 并拖动可将手柄与父几何体断开。 |
|
(2) 端符手柄 |
修改所选端符、尺寸线和投影线。 |
|
|
(3) (3a) 尺寸文本编辑手柄 |
移动尺寸文本。 |
沿尺寸线拖动尺寸文本。
对于带折线的尺寸文本,更改折线长度并将尺寸文本移至尺寸线的另一侧。
|
|
(3b) 尺寸线编辑手柄 |
调整尺寸线的长度。 |
延长或缩短所选尺寸线。
|
|
(3c) 投影线编辑手柄 |
调整投影线的长度。 注释:
对于 ISO 尺寸,投影线编辑手柄与连接手柄重合。除非拖动,否则它不可见。 |
延长或缩短所选投影线。
|
|
(3d) 折线编辑手柄 |
调整与尺寸文本关联的折线长度。 |
对于带折线的尺寸文本,更改折线长度并将尺寸文本移到折线的另一侧。
|
注释:
手柄颜色由 创物3D 选项对话框的颜色选项卡中的手柄 1、手柄 2 和手柄 3 颜色定义。2D 和 3D 环境中的默认手柄颜色不同。
© 2020 远算
显示尺寸格式设置命令菜单:





