坐标尺寸对齐集
引用公共原点并沿同一方向对齐的坐标尺寸具有相同的对齐集的成员关系。一个对齐集的成员可以独立于另一个对齐集调整方向和操控。
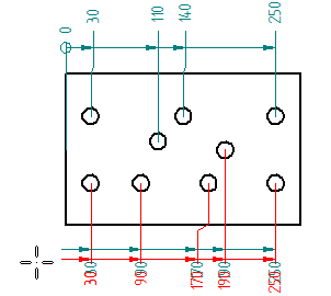
图纸视图底部的两个尺寸被创建为新的对齐集的成员。

创建坐标尺寸对齐集
通过创建新的坐标尺寸对齐集可以更改放置的下一个尺寸的方向。按住 Alt 键并单击可以选择下一个要测量的元素。这可以启动一个新的对齐集。每个新尺寸都被添加到此对齐集中。除非要启动另一个对齐集,否则不要再次按住 Alt 键并单击。
还可以添加坐标尺寸到现有的尺寸集。现有的尺寸会调整其间距以容纳新的尺寸。当看到提示选择公共原点时,可以在要添加尺寸的对齐集中选择任何测量尺寸。
操控坐标尺寸对齐集
可以在一个对齐集中操控所有的坐标尺寸。例如,您可以:
-
拖动任何一条尺寸线可以同时调整对齐集所有成员的位置。

如果尺寸样式不允许使用尺寸线,可以使用投影线手柄点来同时移动所有尺寸。有关更多信息,请参见坐标尺寸手柄。
-
拖动折弯投影线的手柄可以调整其位置。这还可以调整相邻尺寸的位置。此功能适用于用启用自动添加折线选项自动创建的折线。
-
将一个尺寸对齐集拖到另一个对齐集上,可以合并不同对齐集的坐标尺寸。
-
使用以下命令可以管理对齐集内坐标尺寸的成员关系:
使用此命令
目标
“主页”选项卡→“尺寸”组→从对齐集移除

将选定的尺寸从其当前的对齐集约束中移除,可以形成一个由这些尺寸组成的新对齐集。
有关更多信息,请参见将坐标尺寸置于图纸视图之间。
拆分对齐集,位于快捷菜单中
从当前对齐集中移除单个尺寸可以单独对对齐进行操控。任意一侧的尺寸都将变成两个新对齐集的成员。
断开对齐集,位于快捷菜单中
解散以选定尺寸为成员的所有对齐集。
© 2020 远算